REQUERIMIENTOS DEL PROYECTO:
El cliente solicitó el bombeo de gas oil a los tanques de servicio diario de las unidades generadoras de energía de operación normal.
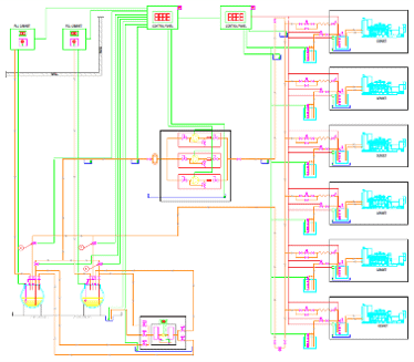
Solución adoptada por INPRO
La instalación completa consta de dos sistemas de alimentación de combustible diferentes para los grupos electrógenos, controlados por un PLC. Toda la instalación cuenta con dos tanques principales de almacenamiento.
La tubería anular del grupo electrógeno succiona el combustible de estos dos depósitos principales. La instalación está compuesta por un grupo de bombeo doble a su vez y cuatro grupos electrógenos con sus correspondientes depósitos diarios con los dispositivos de seguridad y sus grupos de bombeo simple de retorno.
EQUIPO
- Control tanque principal: sonda EDM-40 con display
- Detección de fugas: detector de cámara intersticial DDP-25 y LMW
- Sistema de bombeo: 3 x bomba de combustible FP 200 GE ATEX
- 1 x sistema de pulido de combustible
- SAFA Electroválvulas: controlan el proceso de llenado
- Sistema de control PLC
- Bandeja colectora con detector de fugas
- Presostatos y Presostatos SMMR
- Medidor de flujo y válvula reductora de presión



